1998 Honda Civic Door Lock Problem

98 Civic Ex Power Locks Not Working Hondacivicforum Com

98 Civic Ex Power Locks Not Working Hondacivicforum Com

1996 2000 Honda Civic Door Locks Not Working Youtube

1996 2000 Honda Civic Door Locks Not Working Youtube

Help Auto Door Lock Problem 98 Manual Civic Honda Civic Forum

Help Auto Door Lock Problem 98 Manual Civic Honda Civic Forum

Need Help With Power Door Lock Problem Clubcivic Com Honda Civic Forum

Need Help With Power Door Lock Problem Clubcivic Com Honda Civic Forum

How To Open A Honda Door That S Stuck The Easy Way Youtube

How To Open A Honda Door That S Stuck The Easy Way Youtube

Honda Civic Questions Front Drivers Side Door Cargurus

Honda Civic Questions Front Drivers Side Door Cargurus

Honda Civic Questions Front Drivers Side Door Cargurus

Problem with your 1998 honda civic.

1998 honda civic door lock problem.

There is a troubleshooting process you can go thru by jumpering various wires to test each door. Feel free to ask any questions you may have in the. There is many helpful tips and tricks to aid you in. If you are having problems with your door locks this is the video for you make sure to watch until then.

Anti lock brake system abs diagnosis 80 100 in amity or. Honda online store. We all get to laugh at kevin s ugly beard. 0 item s left menu.

Honda civic power door lock problem gets fixed. Honda civic 2005 150000 miles gear box door radio stereo alarm door locks. Rockauto ships auto parts and body parts from over 300 manufacturers to customers doors worldwide all at warehouse prices. The 1998 honda civic has 1 problems reported for door locks not working.

Asked by yongtao. Our list of 31 known complaints reported by owners can help you fix your 1998 honda civic. The alarm is out of order the door locks do not respond to their button the interior light turns on at any moment the hybrid system seems to be always discharged leds from the gears flicker the entrance for the scanner. I am not sure what model honda you have but on both of the 1998 honda civic lx models i own their locking unlocking problems were caused by a power door lock control module which is located in the drivers door behind the inside door panel.

2003 honda civic power door lock electrical problem 2003 honda civic 4 cyl front wheel drive automatic i have a 2003 honda civic ex my car has recently had an issue. Average failure mileage is 120 000 miles. Civic dx 3 door 5mt. Suddenly many functions stopped working.

Easy to use parts catalog. The worst complaints are electrical body paint and exhaust system problems. Right menu find a dealer. 1998 civic door lock parts.

How To Open A Stuck Door On A 2000 Honda Civic Part1 Youtube

How To Open A Stuck Door On A 2000 Honda Civic Part1 Youtube

Power Locks Don T Work Please Help Hondacivicforum Com

Power Locks Don T Work Please Help Hondacivicforum Com

Driver S Side Back Door Won T Open On A 97 Honda Civic Outside Handle Catjuggling Com

Driver S Side Back Door Won T Open On A 97 Honda Civic Outside Handle Catjuggling Com

98 02 Honda Accord Stuck Door Latch Youtube

98 02 Honda Accord Stuck Door Latch Youtube

Doors Unlock But Don T Lock Honda Civic Forum

Doors Unlock But Don T Lock Honda Civic Forum

Door Will Not Open My Driver Side Front Door Will Not Open Lock

Door Will Not Open My Driver Side Front Door Will Not Open Lock

1997 Honda Civic Key Fob Problem Honda Tech Honda Forum Discussion

1997 Honda Civic Key Fob Problem Honda Tech Honda Forum Discussion

1999 Civic Door Locks And Front Radio Speakers Not Working Hondacivicforum Com

1999 Civic Door Locks And Front Radio Speakers Not Working Hondacivicforum Com

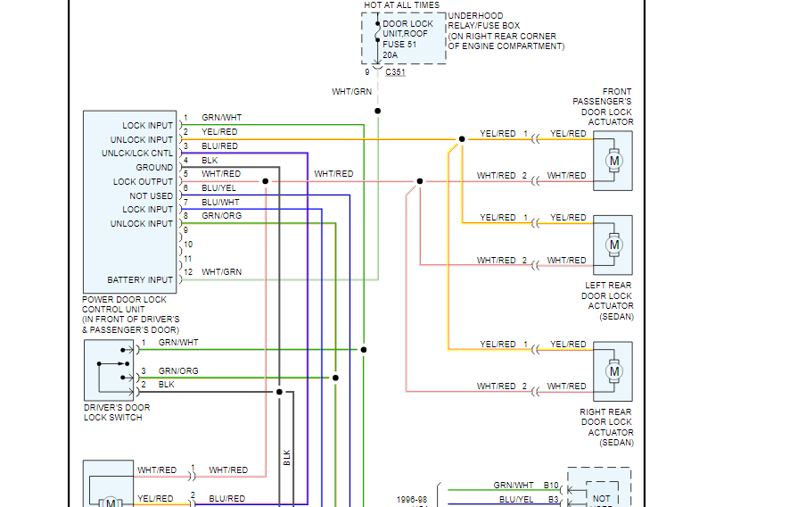
Dn 2558 Honda Civic Door Lock Diagram Free Diagram

Dn 2558 Honda Civic Door Lock Diagram Free Diagram

Honda Door Latch How Do I Replace The Driver Side Door Latch Mechanism On A 1990 Honda Civic 2dr Hatchback Sc 1 St Justanswer

Honda Door Latch How Do I Replace The Driver Side Door Latch Mechanism On A 1990 Honda Civic 2dr Hatchback Sc 1 St Justanswer

94 97 Accord D S Lock Actuator Microswitch Repair Reset Honda Tech Honda Forum Discussion

94 97 Accord D S Lock Actuator Microswitch Repair Reset Honda Tech Honda Forum Discussion

97 Civic Power Door Locks Not Functioning 1997 Honda Civic Lx 4dr

97 Civic Power Door Locks Not Functioning 1997 Honda Civic Lx 4dr

How To Remove Rear Door Panel 98 02 Honda Accord Youtube

How To Remove Rear Door Panel 98 02 Honda Accord Youtube

I Have A 1998 Honda Accord Coupe With A Inoperative Door Latch I Need To Replace The Latch But Need To Get The Door

I Have A 1998 Honda Accord Coupe With A Inoperative Door Latch I Need To Replace The Latch But Need To Get The Door

Power Locks Power Locks Not Working The Actuator And Switch Work

Power Locks Power Locks Not Working The Actuator And Switch Work

1998 Accord Power Locks Problem Honda Tech Honda Forum Discussion

1998 Accord Power Locks Problem Honda Tech Honda Forum Discussion

Honda Civic How To Install Power Locks Honda Tech

Honda Civic How To Install Power Locks Honda Tech

My Driver Side Door On My 99 Honda Accord Will Not Open From The Inside Or The Outside Nothing Happened I Just Went

My Driver Side Door On My 99 Honda Accord Will Not Open From The Inside Or The Outside Nothing Happened I Just Went

Https Encrypted Tbn0 Gstatic Com Images Q Tbn 3aand9gcswuf5majiycip1lnczs Lkk4gfxhlrja4jcpc Ap95xvkdyemx Usqp Cau

Https Encrypted Tbn0 Gstatic Com Images Q Tbn 3aand9gcswuf5majiycip1lnczs Lkk4gfxhlrja4jcpc Ap95xvkdyemx Usqp Cau

Pin De Susan Detri Souve En Car Repair Tuning Honda Thing 1

Pin De Susan Detri Souve En Car Repair Tuning Honda Thing 1

1998 Honda Civic Hatchback For Sale

1998 Honda Civic Hatchback For Sale

Civic Door Lock 2005 Honda Civic 4 Door Ex Ka 5mt Rear Door Locks Outer Handle Sc 1 St Honda Parts

Civic Door Lock 2005 Honda Civic 4 Door Ex Ka 5mt Rear Door Locks Outer Handle Sc 1 St Honda Parts

1998 Honda Civic Parts And Accessories Automotive Amazon Com

1998 Honda Civic Parts And Accessories Automotive Amazon Com

1998 Accord Door Lock Actuator Replacement Honda Accord Forum Honda Accord Enthusiast Forums

1998 Accord Door Lock Actuator Replacement Honda Accord Forum Honda Accord Enthusiast Forums

Source : pinterest.com