2006 Ford Expedition Door Locks Not Working Passenger Side

2003 2006 Ford Lincoln Expedition Navigator Rear Door Lock Fix Youtube

2003 2006 Ford Lincoln Expedition Navigator Rear Door Lock Fix Youtube

06 Expedition Power Door Locks Youtube

06 Expedition Power Door Locks Youtube

Power Door Locks Not Working I Have A Problem With The Door Locks

Power Door Locks Not Working I Have A Problem With The Door Locks

New 2010 Ford F150 Interior Fuse Box Diagram Https Jetsuv Com New 2010 Ford F150 Interior Fuse Box Diagram Fordcars Fuse Box Ford Focus Engine Fuse Panel

New 2010 Ford F150 Interior Fuse Box Diagram Https Jetsuv Com New 2010 Ford F150 Interior Fuse Box Diagram Fordcars Fuse Box Ford Focus Engine Fuse Panel

2003 Ford Expedition Headlights Keyless Entry Lift The Fuses

2003 Ford Expedition Headlights Keyless Entry Lift The Fuses

403 Forbidden Car Door Lock Car Door Door Locks

403 Forbidden Car Door Lock Car Door Door Locks

403 Forbidden Car Door Lock Car Door Door Locks

However when it is hot 104 f like it was today the locks do not respond to any of the switches driver front passenger.

2006 ford expedition door locks not working passenger side.

2019 ford expedition v6 3 5l turbo. How to repair broken ford door latch and cables on ford f series truck e series van ranger excursion expedition and navigator. I also know the driver door is having the problem. It is a 2002 honda accord 4cyl special edition.

Years ago the rear right door lock quit working but that is just extra info. 2000 ford expedition v8 5 4l. Service type power door locks are not working inspection. What happens is the door cables in ford trucks f 150 f 250 f 350 ranger and ford vans f 150.

Shop dealer price 101 11 109 45. Shop dealer price 96 83 105 71. Service type power door locks are not working inspection. The first door to have the problem was the rear passenger side.

Watch a tutorial as a 2003 ford expedition lincoln navigator will have a rear door lock actuator replaced with a new aftermarket dorman 746 149 door lock a. I have to. The other three door locks work fine when it is not hot. I ha read more.

Hello i ve been a mechanic for many years and i ve had hundreds of customers come into my shop complaining about broken ford door cables and latches. Here is my story. Service type power door locks are not working inspection. I have a 98 expedition the door locks dont work i checked the fuse its ok what relay is it.

Ford f150 pickup 2005 power doors unlock but will not lock i had almost the identical problem on my 2005 f150 fx4 extended cab last weekend. The power door locks would not lock using the keypad remotes or door buttons. I have a ford 2001 expedition and the power door locks will not work. Re upload from my old channel.

2 Hood Gas Lift Supports Strut 95 06 Ford Lincoln Mercury F 150 F 250 Expedition Ford Ford Lincoln Mercury F250 Lincoln Mercury

2 Hood Gas Lift Supports Strut 95 06 Ford Lincoln Mercury F 150 F 250 Expedition Ford Ford Lincoln Mercury F250 Lincoln Mercury

Power Door Lock Actuator Right And Left Side Fits Ford F150 F250 F350 F450 Excursion Expedition Mustang Replaces 6l3z2 Ford F150 F250 Ford Excursion

Power Door Lock Actuator Right And Left Side Fits Ford F150 F250 F350 F450 Excursion Expedition Mustang Replaces 6l3z2 Ford F150 F250 Ford Excursion

Symptoms Of A Bad Or Failing Door Lock Actuator Yourmechanic Advice

Symptoms Of A Bad Or Failing Door Lock Actuator Yourmechanic Advice

2003 2006 Lincoln Navigator Power Door Locks Inoperative Quick Diagnostic Methods Youtube

2003 2006 Lincoln Navigator Power Door Locks Inoperative Quick Diagnostic Methods Youtube

Central Door Lock Wiring Jeep Cherokee Jeep Doors Jeep Xj

Central Door Lock Wiring Jeep Cherokee Jeep Doors Jeep Xj

Bmw X5 Driver Pass L R Door Lock Cylinder Repair Kit E53 99 06 3 0 4 4 4 6 4 8 Bmw E46 Cylinder Lock Bmw

Bmw X5 Driver Pass L R Door Lock Cylinder Repair Kit E53 99 06 3 0 4 4 4 6 4 8 Bmw E46 Cylinder Lock Bmw

How To Fix Ford Explorer Power Door Lock Not Popping Up Youtube

How To Fix Ford Explorer Power Door Lock Not Popping Up Youtube

Driver Side Master Power Window Switch 5l1z14529aa For Ford F150 2004 2005 2006 2007 2008 Ford Expedition 2003 2004 2005 Ford Expedition Ford F150 Expedition

Driver Side Master Power Window Switch 5l1z14529aa For Ford F150 2004 2005 2006 2007 2008 Ford Expedition 2003 2004 2005 Ford Expedition Ford F150 Expedition

01 06 Lexus Ls430 Right Passenger Door Lock Actuator Assembly Unit Module Rear Toyotalexus Lexus Door Locks The Unit

01 06 Lexus Ls430 Right Passenger Door Lock Actuator Assembly Unit Module Rear Toyotalexus Lexus Door Locks The Unit

Ford Freestar Monterey Driver Side Master Power Window Lock Switch 04 05 06 07 Window Locks Ford Sides

Ford Freestar Monterey Driver Side Master Power Window Lock Switch 04 05 06 07 Window Locks Ford Sides

Ford Escape Left Door Mirror Power Driver Side 01 02 03 04 05 06 07 Ford Escape Mirror Door Ford

Ford Escape Left Door Mirror Power Driver Side 01 02 03 04 05 06 07 Ford Escape Mirror Door Ford

Pin On Cadillac Escalade Gmt 800 2001 2006 Fuses And Relays

Pin On Cadillac Escalade Gmt 800 2001 2006 Fuses And Relays

Ad Ebay 2000 Infiniti I30 Right Passenger Rear Back Power Door Lock Latch Actuator Oem In 2020 Door Latch Door Locks Infiniti

Ad Ebay 2000 Infiniti I30 Right Passenger Rear Back Power Door Lock Latch Actuator Oem In 2020 Door Latch Door Locks Infiniti

2000 Ford Expedition Eddie Bauer Ford Expedition Expedition Ford Excursion

2000 Ford Expedition Eddie Bauer Ford Expedition Expedition Ford Excursion

F150 Power Door Lock Drivers Side Switch Not Unlocking Youtube

F150 Power Door Lock Drivers Side Switch Not Unlocking Youtube

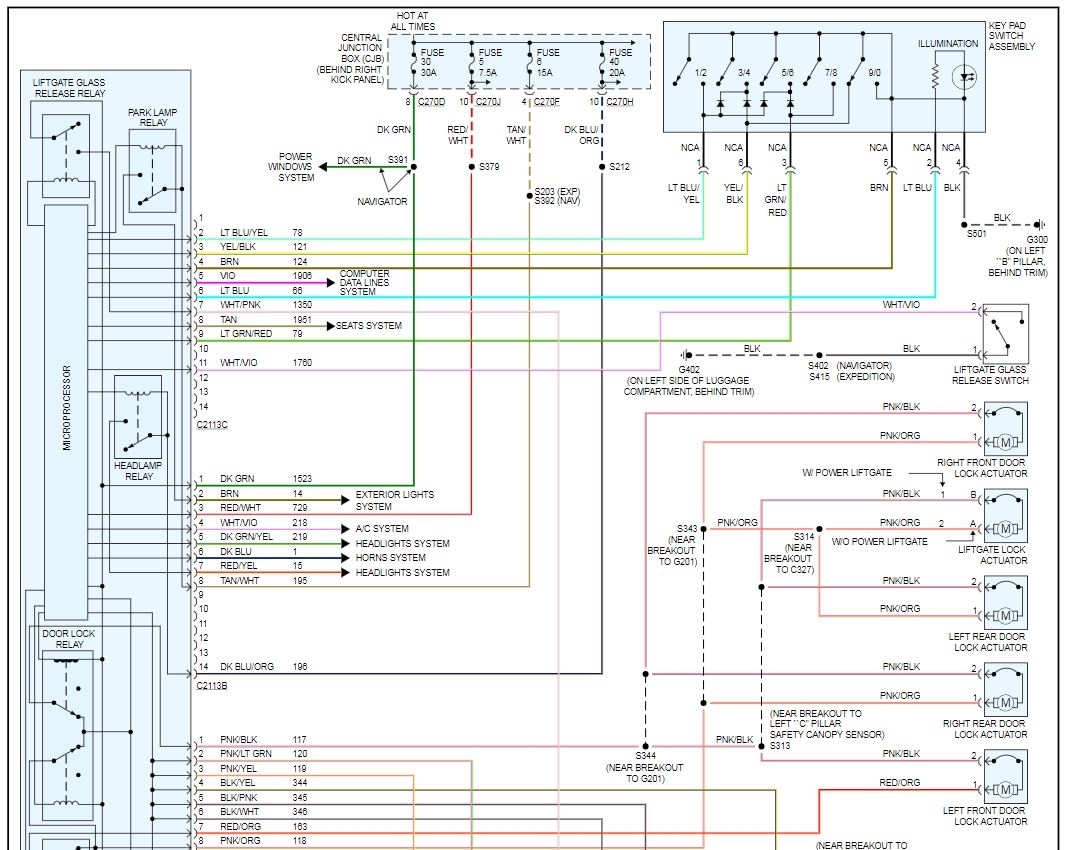
Fuses And Relays Box Diagram Ford Expedition 2

Fuses And Relays Box Diagram Ford Expedition 2

2003 Chevy Trailblazer Fuse Diagram Under Rear Seat Chevy Trailblazer Trailblazer Chevy

2003 Chevy Trailblazer Fuse Diagram Under Rear Seat Chevy Trailblazer Trailblazer Chevy

Chevy Equinox Right Front Door Latch Rod Set Oem 05 06 07 08 09 Passenger Side Chevy Equinox Rod Set Chevy

Chevy Equinox Right Front Door Latch Rod Set Oem 05 06 07 08 09 Passenger Side Chevy Equinox Rod Set Chevy

1

1

Ford F150 Spindle Steering Knuckle 4x4 Right Passenger Side 78 79 Bronco Oem Bronco Ford F150 F150

Ford F150 Spindle Steering Knuckle 4x4 Right Passenger Side 78 79 Bronco Oem Bronco Ford F150 F150

Duoles Stainless Steel Car Door Lock Latches Cover Protector For Mercedes Glk Class S Class Maybach A C Cla Gla G M S Sl Cla Car Door Lock Mercedes Glk Maybach

Duoles Stainless Steel Car Door Lock Latches Cover Protector For Mercedes Glk Class S Class Maybach A C Cla Gla G M S Sl Cla Car Door Lock Mercedes Glk Maybach

Pin By Fordman425 On Vehicles Ford F150 Accessories Ford Trucks Ford

Pin By Fordman425 On Vehicles Ford F150 Accessories Ford Trucks Ford

Power Door Lock Switch On Driver Side Locks But Won T Unlock Ford Explorer Ford Ranger Forums Serious Explorations

Power Door Lock Switch On Driver Side Locks But Won T Unlock Ford Explorer Ford Ranger Forums Serious Explorations

2001 Ford Mustang Fuse Box Diagram Fuse Box 2004 Ford Mustang 2001 Ford Mustang

2001 Ford Mustang Fuse Box Diagram Fuse Box 2004 Ford Mustang 2001 Ford Mustang

Source : pinterest.com